Pneumatic Actuator – Flo-Tite Air-Con C-Series
Model Highlights
Air-Con C Series | 50-28,500 in-lb
• FEATURES •
– Extruded Aluminum Body
– Die-Cast Aluminum End Caps
– NAMUR Solenoid Mounting
– Stainless Steel 304 Fasteners
– Independent Travel Stop Adjustments
Flo-Tite Inc. is a manufacturer of high quality ball valves and actuation equipment. Our products range from standard commercial type Ball Valves to high-pressure metal seated Control Valves. All Valves are manufactured in strict adherence to internationally recognized standards and specifications, including ANSI/ASME/ISO/NACE and API. For more information on Flo-Tite and their offerings, please contact us.
Product Description
Flo-tite manufactures, with their Air-Con product line, a versatile and economical valve actuator with an aluminum body. Torque can be adjusted with varying spring force and count. These are available in 50-28,500 in-lb force.
| FLO-TITE AIR-CON ACTUATOR BILL OF MATERIALS | |||
|---|---|---|---|
| ITEM | DESCRIPTION | QTY | MATERIAL |
| 1 | INDICATOR CAP SCREW | 1 | PLASTIC / STAINLESS STEEL |
| 2 | POSITION INDICATOR | 1 | PLASTIC (ABS) |
| 3 | PINION SNAP RING | 1 | STAINLESS STEEL 300 SERIES |
| 4 | THRUST WASHER | 1 | STAINLESS STEEL 300 SERIES |
| 5 | THRUST BEARING | 1 | POLOXYMETHELENE (DELRIN) |
| 6 | BODY | 2 | EXTRUDED ALUMINUM ALLOY |
| 7 | PISTON GUIDE | 1 | POLOXYMETHELENE (DELRIN) |
| 8 | O-RING (PINION TOP) | 1 | NBR / BUNA |
| 9 | BEARING (PINION TOP) | 1 | POLOXYMETHELENE (DELRIN) |
| 10 | INSIDE WASHER | 1 | POLOXYMETHELENE (DELRIN) |
| 11 | CAM | 1 | ALLOY STEEL *(SS AVAILABLE)* |
| 12 | PINION (DRIVE SHAFT) | 1 | SS 300 SERIES / NICKEL PLATED ALLOY |
| 13 | BEARING (PINION BOTTOM) | 1 | POLOXYMETHELENE (DELRIN) |
| 14 | O-RING (PINION BOTTOM) | 1 | NBR / BUNA |
| 15 | SPRING (CARTRIDGE) | 0-12 | HIGH ALLOY SPRING STEEL |
| 16 | BEARING (PISTON) | 2 | POLOXYMETHELENE (DELRIN) |
| 17 | O-RING (PISTON) | 2 | NBR / BUNA |
| 18 | PISTON | 2 | DIE-CASTING ALUMINUM |
| 19 | PLUG | 2 | NBR / BUNA |
| 20 | O-RING (ADJUST SCREW) | 2 | NBR / BUNA |
| 21 | STOP NUT (ADJUST SCREW) | 2 | STAINLESS STEEL 300 SERIES |
| 22 | ADJUST SCREW | 2 | STAINLESS STEEL 300 SERIES |
| 23 | STOP SCREW | 2 | STAINLESS STEEL 300 SERIES |
| 24 | NUT (STOP SCREW) | 2 | STAINLESS STEEL 300 SERIES |
| 25 | O-RING (END CAP) | 2 | NBR / BUNA |
| 26 | END CAP | 2 | DIE-CASTING ALUMINUM |
| 27 | END CAP SCREW | 8 | STAINLESS STEEL 300 SERIES |
| 28 | SHAFT ADAPTER | 1 | SINTERED METAL |
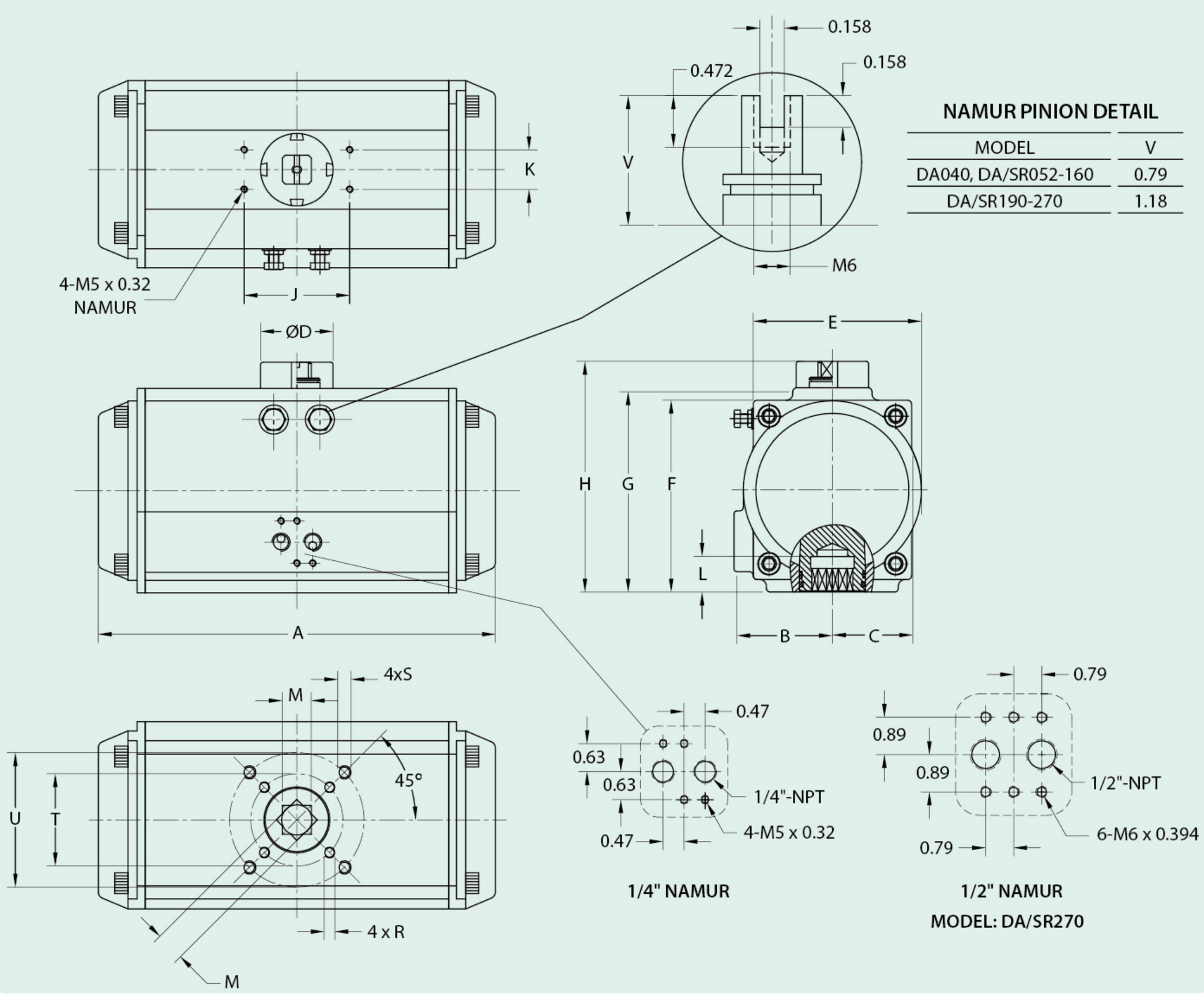
| AIR-CON ACTUATOR DIMENSIONS | ||||||||||||||||
|---|---|---|---|---|---|---|---|---|---|---|---|---|---|---|---|---|
| MODEL | A | B | C | D | E | F | G | H | J | K | L | M | R | S | T | U |
| DA040 | 4.81 | 1.13 | 1.44 | 1.58 | 2.05 | 2.36 | - | 3.15 | 3.15 | 1.18 | 0.55 | 0.43 | M5 X 8 | M6 X 10 | F03/1.417 | F05/1.969 |
| DA/SR052 | 5.79 | 1.18 | 1.63 | 1.58 | 2.56 | 2.58 | 2.83 | 3.62 | 3.15 | 1.18 | 0.55 | 0.43 | M5 X 8 | M6 X 10 | F03/1.417 | F05/1.969 |
| DA/SR063 | 6.61 | 1.42 | 1.85 | 1.58 | 2.83 | 3.19 | 3.44 | 4.23 | 3.15 | 1.18 | 0.71 | 0.55 | M6 X 10 | M8 X 13 | F05/1.969 | F07/2.756 |
| DA/SR075 | 7.24 | 1.65 | 2.09 | 1.58 | 3.19 | 3.70 | 3.92 | 4.70 | 3.15 | 1.18 | 0.71 | 0.55 | M6 X 10 | M8 X 13 | F05/1.969 | F07/2.756 |
| DA/SR083 | 8.03 | 1.81 | 2.24 | 1.58 | 3.62 | 3.88 | 4.28 | 5.07 | 3.15 | 1.18 | 0.83 | 0.67 | M6 X 10 | M8 X 13 | F05/1.969 | F07/2.756 |
| DA/SR092 | 1031 | 1.97 | 2.30 | 1.58 | 3.86 | 4.37 | 4.60 | 5.39 | 3.15 | 1.18 | 0.83 | 0.67 | M6 X 10 | M8 X 13 | F05/1.969 | F07/2.756 |
| DA/SR105 | 10.55 | 2.26 | 2.52 | 1.58 | 4.31 | 4.82 | 5.24 | 6.02 | 3.15 | 1.18 | 1.02 | 0.87 | M8 X 13 | M10 X 16 | F07/2.756 | F10/4.016 |
| DA/SR125 | 11.85 | 2.66 | 2.93 | 2.17 | 5.02 | 5.73 | 6.10 | 6.89 | 3.15 | 1.18 | 1.02 | 0.87 | M8 X 13 | M10 X 16 | F07/2.756 | F10/4.016 |
| DA/SR140 | 15.35 | 2.95 | 3.03 | 2.17 | 5.41 | 6.33 | 6.75 | 7.54 | 3.15 | 1.18 | 1.22 | 1.06 | M10 X 16 | M12 X 20 | F10/4.016 | F12/4.921 |
| DA/SR160 | 18.08 | 3.43 | 3.43 | 2.17 | 6.22 | 7.24 | 7.76 | 8.54 | 3.15 | 1.18 | 1.22 | 1.06 | M10 X 16 | M12 X 20 | F10/4.016 | F12/4.921 |
| DA/SR190 | 20.79 | 4.06 | 4.06 | 3.15 | 7.44 | 8.50 | 9.06 | 10.24 | 5.12 | 1.18 | 1.57 | 1.42 | - | M16 X 25 | - | F14/5.512 |
| DA/SR210 | 20.94 | 4.46 | 4.45 | 3.15 | 8.27 | 9.27 | 10.04 | 11.22 | 5.12 | 1.18 | 1.57 | 1.42 | - | M16 X 25 | - | F14/5.512 |
| DA/SR240 | 23.70 | 5.12 | 5.12 | 3.15 | 9.65 | 10.39 | 11.38 | 12.56 | 5.12 | 1.18 | 1.97 | 1.81 | - | M20 X 25 | - | F16/6.496 |
| DA/SR270 | 28.42 | 5.79 | 5.79 | 3.15 | 10.75 | 11.77 | 12.83 | 1401 | 5.12 | 1.18 | 1.97 | 1.81 | - | M20 X 25 | - | F16/6.496 |
Why Choose Accurate Valve Automation, Inc.?
Accurate Valve Automation has the experts you need at a reasonable price. We intend to continue providing, just as we have for 15+ years, solutions to our market segments. Ultimately we want to provide more than a simple product sale, and instead a solution to any industry’s flow, filtering, or process concerns.
Contact Us
General Contact Information
Located near Chicago, IL just east of the 55/294 Interchange.
If you would like to learn more about what we have to offer
at Accurate Valve Automation, Inc.,
please contact us via one of the methods below and
we'll get back to you as soon as possible.